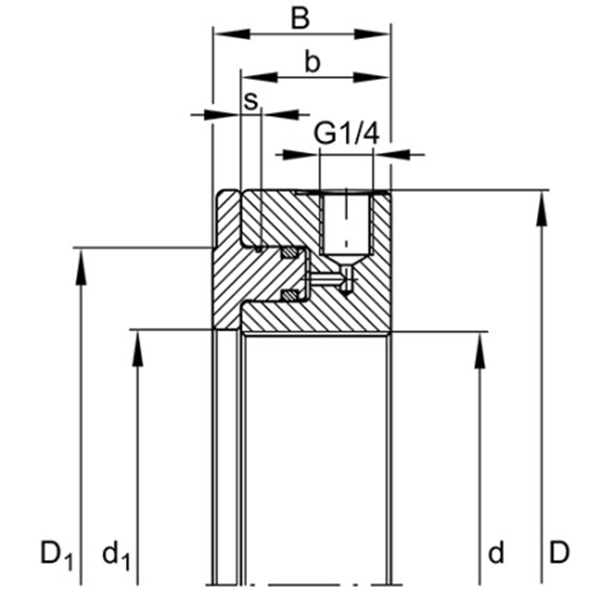
Đai ốc thủy lực Schaeffler HYDNUT-E-INCH dùng để lắp và tháo vòng bi trên trục có ren hệ inch (UN hoặc ACME). Đai ốc tạo lực ép dọc trục lớn, giúp ép hoặc tháo vòng bi, khớp nối, bánh răng và các cụm trục công nghiệp nặng.
HYDNUT-E-INCH có dải đường kính trong 49,9–950,2 mm (1,9–37,4 inch). Tạo lực ép tối đa 3957 kN ở áp suất vận hành 700 bar. Các loại từ UN320 trở lên sử dụng ren hình thang (Tr), mở rộng đường kính ren đến 950 mm.
Tất cả các đai ốc HYDNUT-E-INCH đều có vòng O-ring chỉ thị hành trình piston. Thông số kỹ thuật quan trọng như áp suất tối đa và bước ren được khắc trực tiếp trên thân đai ốc, giúp kiểm soát chính xác khi lắp đặt.
Lưu ý về áp suất làm việc
Khi sử dụng
đai ốc thủy lực Schaeffler, không nên mặc định tất cả đều làm việc ở 700 bar. Mỗi mã đai ốc có giới hạn áp suất khác nhau, được khắc trực tiếp trên thân ngoài và thể hiện rõ trong bảng thông số. Kích thước đai ốc càng lớn, diện tích piston càng rộng thì áp suất danh định thường được giảm xuống (từ 700 bar về 500, 400 hoặc 300 bar) để duy trì lực ép trong giới hạn an toàn.
Người dùng cần đọc đúng chỉ số áp suất tối đa của từng mã trước khi kết nối bơm thủy lực. Vượt quá giới hạn này có thể gây hư hỏng ren, biến dạng piston hoặc rò rỉ dầu, ảnh hưởng đến an toàn khi tháo lắp vòng bi và cụm trục.
Đai ốc thủy lực Schaeffler HYDNUT-E-INCH
Schaeffler cũng cung cấp đồng hồ đo hành trình dạng điện tử (Art. No. 7499920) và cơ khí (Art. No. 7499910) để đo khe hở nổi của vòng bi trong quá trình bảo trì.
- Dải đường kính trong: 49,9–950,2 mm / 1,9–37,4 inch
- Lực ép tối đa: 3957 kN
- Áp suất vận hành: 700 bar
- Ren: UN hoặc ACME (chuyển sang Tr ren sau UN320)
- Có vòng O-ring chỉ thị hành trình
- Khắc thông số áp suất và ren trên thân ngoài
- Lắp tháo vòng bi cỡ nhỏ đến lớn trên trục ren inch
- Sử dụng cho trục côn, ống lót adapter, ống lót tháo
- Phù hợp cho hàng hải, công nghiệp nặng, truyền động trục lớn, tàu thủy và đường sắt
So sánh Schaeffler HYDNUT
- HYDNUT-HEAVY: chuyên dùng cho tải rất lớn, Ø100–900 mm, lực ép cao nhất (12.210 kN).
- HYDNUT-E: dùng cho ren hệ mét và hình thang, dải ứng dụng rộng nhất (tới Ø1180 mm).
- HYDNUT-E-INCH: chuyên cho thị trường dùng ren inch (UN/ACME), lực ép thấp hơn, Ø49,9–950,2 mm.
| Đặc điểm |
HYDNUT-HEAVY |
HYDNUT-E |
HYDNUT-E-INCH |
| Loại ren |
Trơn (không ren), lắp bằng tay trên trục côn hoặc ống lót |
Ren hệ mét (M50–M200) và hình thang Tr205–Tr1180 |
Ren hệ inch (UN/ACME), từ UN50 đến UN320, sau đó chuyển sang Tr |
| Dải đường kính |
100 – 900 mm |
M50 – M200 / Tr205 – Tr1180 (tới Ø1180 mm) |
49,9 – 950,2 mm (1,9 – 37,4 inch) |
| Lực ép tối đa |
920 – 12.210 kN |
214 – 8.050 kN |
214 – 3.957 kN |
| Ứng dụng chính |
Vòng bi cỡ lớn, trục tàu thủy, tua-bin, khớp nối công nghiệp nặng |
Vòng bi và trục ren hệ mét / hình thang, công nghiệp nặng, đường sắt, đóng tàu |
Vòng bi trục ren inch (UN/ACME), ứng dụng ở Mỹ, Canada, thị trường dùng hệ inch |
| Đặc điểm nổi bật |
Không ren, dùng linh hoạt trên nhiều loại trục côn/ống lót |
Hỗ trợ cả ren mét và ren Tr, dải rộng nhất đến Ø1180 mm |
Chuyên cho ren inch, chuyển sang Tr ở kích cỡ lớn hơn |
| Phụ kiện hỗ trợ |
Đồng hồ đo hành trình, bơm thủy lực Schaeffler |
Đồng hồ đo hành trình điện tử/cơ khí, bơm thủy lực Schaeffler |
Đồng hồ đo hành trình điện tử/cơ khí, bơm thủy lực Schaeffler |